|
|
|
A、所有的金属板都用铜和钢板固定 B、吸力大,余磁小
C、开关磁路时,吸盘表面磁力的精度不会发生变化,从而保证加工的高精度
D、密封结构,防水及冷却液 E、易操作 F、物美价廉 |
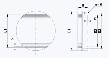
商品编号 Item Code |
直径D1 Diameter |
有效长度L1 Effective
Length |
高度H Height |
极距离P
Pole Pitch |
D2 |
K |
N |
M |
D3 |
净重(kg) Net Weight |
PMCC-150 |
150 |
117 |
50 |
1+3 |
110 |
4 |
4 |
8 |
132 |
7 |
PMCC-160 |
160 |
129 |
50 |
1+3 |
120 |
4 |
4 |
10 |
140 |
8 |
PMCC-200 |
200 |
169 |
52 |
1+3 |
160 |
4 |
4 |
10 |
180 |
12 |
PMCC-250 |
250 |
213 |
52 |
1+3 |
200 |
4 |
4 |
10 |
230 |
19 |
PMCC-300 |
300 |
265 |
54 |
1+3 |
250 |
4 |
4 |
12 |
280 |
28 |
PMCC-400 |
400 |
365 |
58 |
1+3 |
320 |
4 |
4 |
12 |
380 |
53 |
PMCC-600 |
600 |
553 |
62 |
1+3 |
500 |
4 |
4 |
12 |
580 |
134 |
|
|